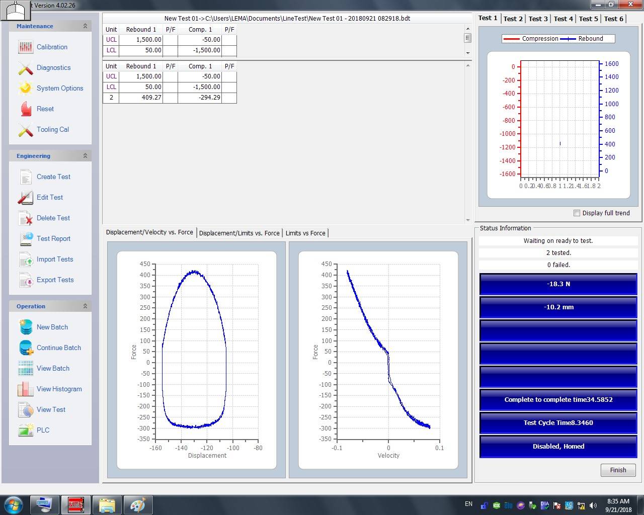
MTS Damper Testing Software
Abordar um espectro completo de desempenho, durabilidade e necessidades de testes de garantia de qualidade com o portfólio completo de software de teste de amortecedores MTS. Projetados para apoiar o crescente complemento dos sistemas de teste de amortecedores elétricos e servo-hidráulicos MTS, estes programas apresentam capacidades abrangentes de criação de testes, tempo de execução e aquisição de dados eficientes, relatórios automatizados e numerosos métodos de apresentação e análise.
Aplicações
Corpos de prova de teste
Principais recursos do produto
Versátil
Projetado para atender um amplo espectro de testes de amortecedores, desde a simples garantia de qualidade de aprovação/falha até a avaliação da força do gás dependendo da posição até estudos complexos de falha de amostras
Resultados precisos/repetíveis
Inclui um conjunto completo de formas de onda de comando típicas, formas de onda de comando avançadas opcionais, vários métodos de compensação de forma de onda
Operação Eficiente
Ferramentas para fácil configuração de teste e armazenamento, operação intuitiva em tempo de execução, aquisição flexível de dados e relatórios automatizados
Solução inovadora
O primeiro software de teste de amortecedores da indústria a apresentar o teste opcional de Para-Choque, que permite um teste mais realista da interação do para-choque com o amortecedor
Visão geral técnica
Serviço e Suporte
Nossos especialistas estão aqui para ajudá-lo a permanecer em operação.
 
                         
                         
                         
                         
                         
                        